Что такое электрический фидер в электроэнергетике
Слово “кормушка” (заимствовано из английского языка: “feeder”) – неоднозначный термин. В рыболовстве это одно, в электротехнике – другое, в радиолокации – третье. Среди переводов этого слова: питатель, кормилец, передатчик, пожиратель, вспомогательная линия и т.д., в зависимости от контекста.
1) В энергетике – кабельная или воздушная фидерная линия, соединяющая электростанцию с системой распределения электроэнергии; рассчитана на напряжение до 10 кВ. 2) В радиотехнике – линия для передачи энергии ВЧ-поля. Чаще всего фидер соединяет передатчик с антенной, а антенну с приемником.
Чтобы избежать путаницы, давайте подробнее рассмотрим, что такое источник электрического питания, т.е. Давайте рассмотрим этот термин применительно к электроэнергетике.
Хотя каждый электрик в основном понимает значение этого слова, даже здесь есть различия. Оно может относиться к сети, питающей трансформаторы на подстанции и подключающей трансформаторы к определенному выключателю, в диапазоне сетей 6-10 кВ.
На практике, однако, о фидере говорят, когда, например, срабатывает общий выключатель на трансформаторной подстанции, отключая питание всех трансформаторов. В этом случае говорят, что подстанция освобождена от сетевой нагрузки. Если кабель, соединяющий выключатель с главным трансформатором, неисправен, говорят, что неисправен фидер. Это означает, что фидер здесь – это линия, по которой питается нагрузка от ячейки фидера подстанции.
Линия (фидер) выше 1000 В может включать в себя высоковольтные распределительные устройства, реакторы, ограничители перенапряжения, трансформаторы напряжения и тока, изоляторы, шины и коллекторы, силовые кабельные и воздушные линии, конденсаторные установки, устройства релейной защиты и автоматики. Несколько фидеров образуют распределительное устройство (РУ): открытое (открытое РУ), закрытое (закрытое РУ), комплектное для внутренней установки (внешнее РУ) или внешней установки (внешнее РУ), стационарное (стационарное РУ).
В энергетике фидер – это линия, ведущая от подстанции к подстанции или от подстанции к распределительному устройству
Прежде всего, важно понимать, что фидер – это то, что подключено для подачи энергии к оборудованию. Фидерная линия – это линия, соединяющая электрическую подстанцию с распределительным пунктом
В сетевом проектировании фидер – это кабель, подающий электроэнергию от распределительного устройства к потребителю или к следующему распределительному центру. Те линии, которые проходят дальше от распределительного устройства, называются ответвлениями.
Линии могут быть воздушными или кабельными, но одно остается неизменным: фидерные линии соединяют шины распределительного устройства трансформаторной или преобразовательной станции с распределительными или потребительскими электрическими сетями, питающимися от этих шин.
В тяговой энергетике, например, фидер является частью катенарной сети, которая соединяет рельсы напряжения от тяговой подстанции с воздушной линией. Фидерные сети оснащены устройствами защиты от перегрузок и коротких замыканий, посредством автоматических выключателей, отключающих воздушную линию при превышении уставки защиты, а также высоковольтными разъединителями.
Устройства, связанные с фидером, называются фидерными устройствами: фидерная автоматика, фидерный разъединитель, фидерная защита и т.д. В зависимости от назначения потребителей, питающихся от данного фидера, фидер называется, например, тяговой сетью, станционной сетью или сетью передачи. Каждому фидеру присваивается индивидуальный номер.
Кстати, слово “фидер” везде можно с полным правом заменить словом “линия передачи”, поскольку фидер по сути является разновидностью линии передачи. Хотя фидерная линия является периферийной линией в сети, она представляет собой ответвление, которое соединяет более или менее удаленные узлы с основной фидерной линией.
Фактически, фидер – это линия передачи, соединяющая первичного дистрибьютора с вторичным дистрибьютором или с несколькими вторичными дистрибьюторами, или вторичного дистрибьютора с потребителем или с несколькими потребителями.
В обычной рабочей среде использование этого термина позволяет четко идентифицировать различные участки сети, используемые для передачи электроэнергии или электрических сигналов. Однако, поскольку в энергетическом секторе такого определения официально не существует, в документации целесообразно ссылаться на каждую единицу оборудования по ее стандартному обозначению. Это позволяет избежать путаницы в ситуациях, когда новый сотрудник компании еще не знаком с местными условиями.
Как идентифицировать фидерную линию
При наличии фидеров, питаемых от разных систем напряжения, каждый незаземлённый проводник должен быть установлен по фазе или линии на всей её длине: от точки подключения до точки сращивания. Идентификация не заземлённых проводников системы переменного тока может осуществляться с помощью цветовой маркировки, маркировки ленты или других утвержденных средств. Красный цвет разрешается использовать для не заземлённого проводника положительной полярности, а черный цвет — для проводника отрицательной полярности.
За исключением систем повышенной мощности и изолированных систем электропитания, для идентификации не заземлённых проводников переменного тока используют оранжевый цвет. Он разграничивает верхнюю часть четырёх-проводной системы, соединенной треугольником, где заземлена средняя точка однофазной обмотки, от остальной части сети. Если в тех же помещениях присутствует система высокого напряжения (более 220 В), то для маркировки обычных фидерных проводников следует использовать коричневый, оранжевый и жёлтый цвет (смотреть рисунок 4). Маркировочные ленты или другие средства идентификации фидера используются также для различения участков с разными напряжениями.
Рисунок 4. Маркировка проводников фидера с различной полярностью и допустимыми температурами нагрева
Цепи ко всем устройствам, которые требуют электропитания, запускаются от предохранителей или автоматических выключателей. В фидерных цепях используются более толстые кабели, которые проходят от главной входной панели к меньшим распределительным панелям — щитам, являющимися центрами нагрузки. Эти щиты расположены в удаленных частях дома или в хозяйственных постройках, они также используются для перераспределения энергии, например, в гаражах или паркингах.
Определение
Однозначно сказать, что такое электрический фидер никто не может. Слишком широкое определение, которое подходит для различных частей схемы электропитания: от некоторых устройств системы электропередачи до участка кабеля. Давайте разбираться, чтобы иметь понятие о чем идет речь. Сразу скажем, что будем говорить о фидере в электроснабжении или радиопередаче.
Слово «фидер» произошло от английского feeder, что в одном из вариантов переводится как «линия электропередачи». Но у нас под этим названием в разных ситуациях понимают разные части схемы. В учебных пособиях или нормативах точных определений нет. В учебнике 1950 года есть такое определение: «Фидер — это линия электропередачи от распределительного устройства (щита) к другому щиту или крупному узлу. »
На линии электропередач от электростанции есть, как минимум, два фидера
То есть, по сути, электрический фидер — это некоторый участок линий электропитания. Но включает он только линии электропередач и устройства, через которые они подключаются? А по-разному. Зависит от ситуации. В основном этим понятием оперируют специалисты. Но в различных ситуациях приходится с ними общаться, так что надо знать о чем они говорят. Иначе понять их невозможно.
Значение фидера в электроэнергетике:
Фидеры часто называют «питающими линиями» или «питающими кабелями». Они играют ключевую роль в обеспечении электроэнергией различных объектов, таких как жилые дома, офисные здания, промышленные предприятия и т.д.
Примеры фидеров включают в себя кабели, которые идут от электрической подстанции к зданиям или сооружениям. Как правило, фидеры имеют более высокую мощность и меньшую длину, чем основные трансмиссионные линии, которые передают электричество на большие расстояния.
Например: в городе распределение электроэнергии может осуществляться через фидеры, которые проходят по улицам и подземным туннелям. Эти фидеры питают жилые дома и коммерческие здания, обеспечивая электричество для основных потребностей людей.
Роль фидеров заключается в обеспечении стабильного и эффективного распределения электроэнергии к местам потребления. Они помогают сократить потери энергии и осуществляют разделение нагрузок, чтобы предотвратить перегрузку сети.
Таким образом, фидеры – это важный компонент электроэнергетики, который обеспечивает надежное и безопасное питание объектов потребления электричества.
Как видно, фидеры играют значительную роль в современной электроэнергетике, они являются «пальцами», которые распределяют энергию и обеспечивают ее доступность для всех нуждающихся.
Распределение электроэнергии
Распределение электроэнергии играет важную роль в электроэнергетике. Энергия, производимая на электростанции, должна быть доставлена к потребителю, именно для этого и используется система распределения.
Основной элемент системы распределения — это фидер. Фидеры являются проводниками, по которым энергия передается от электростанции к потребителям.
Примеры фидеров можно увидеть повсюду — это электрические провода, находящиеся на столбах или зарытые в землю. Они связывают электростанцию с подстанцией, а затем подстанцию с домами и предприятиями.
Фидеры осуществляют питание множества потребителей, но для их нормальной работы необходимо соблюдение определенных правил. Одно из таких правил — это равномерное распределение нагрузки. Если один фидер не справляется с загрузкой, то некоторые потребители могут остаться без электроэнергии.
Для обеспечения равномерного распределения нагрузки используются различные способы. Например, использование нескольких параллельно работающих фидеров позволяет более равномерно распределить нагрузку между ними.
Также, путем правильной организации электросети, можно прокладывать фидеры по разным участкам, чтобы равномерно покрывать все территории, где есть потребители электроэнергии.
Важно отметить, что фидеры играют ключевую роль в обеспечении надежного и стабильного электроснабжения. В случае возникновения проблем, таких как обрыв или перегрузка, фидеры позволяют быстро идентифицировать и устранить проблему, чтобы минимизировать простои и сбои в электропитании
Обеспечение надежности энергоснабжения
Фидеры играют важную роль в обеспечении надежности энергоснабжения. Они отвечают за распределение электроэнергии от подстанции к потребителям. Фидеры можно представить как пальцы, идущие от центрального источника питания к различным устройствам и точкам нагрузки.
В электроэнергетике фидеры обеспечивают надежное питание для различных секторов — домашнего, коммерческого и промышленного. Они служат для балансировки энергии и распределения нагрузки, чтобы минимизировать возможные сбои в энергоснабжении.
Каждый фидер имеет определенные характеристики, которые важны для обеспечения надежности энергоснабжения. Например, он должен иметь достаточную пропускную способность, чтобы обеспечить достаточное количество энергии для всеобщего питания. Кроме того, фидеры должны быть защищены от перегрузок и коротких замыканий.
Обеспечение надежности энергоснабжения — это сложная задача, требующая ответов на множество вопросов и учета различных факторов
Важно, чтобы система распределения фидеров была хорошо спланирована и постоянно обновлялась, чтобы удовлетворить растущие потребности и обеспечить стабильное энергоснабжение для всех потребителей
Фидеры среднего напряжения
Фидеры среднего напряжения — это важная часть электрических систем, используемых для передачи энергии на среднем напряжении. Они представляют собой линии электропередачи, которые связывают подстанции с конечными потребителями.
Фидеры среднего напряжения обеспечивают электропитание для различных инфраструктурных объектов, таких как жилые дома, коммерческие здания, промышленные предприятия и государственные организации. Они также поддерживают работу систем освещения, отопления и вентиляции, обеспечивая комфортные условия и безопасность для людей.
Фидеры среднего напряжения обычно имеют определенную ёмкость, которая определяет их способность передавать энергию. Они также обеспечивают защиту от перенапряжений и коротких замыканий при помощи специальных реле и выключателей.
Для обеспечения эффективной работы фидеров среднего напряжения необходимо регулярно проводить плановые осмотры и техническое обслуживание. Это включает проверку состояния линий электропередачи, а также исправность оборудования и систем защиты. Такие меры позволяют своевременно выявлять и устранять возможные неисправности, обеспечивая надежную работу фидеров и безопасность электроснабжения.
Ключевые особенности фидеров среднего напряжения
1. Надежность: Фидеры среднего напряжения обладают высокой надежностью и способностью работать в условиях больших нагрузок. Они оснащены мощными изоляторами и предотвращают возникновение короткого замыкания или перегрузок, обеспечивая безопасную и стабильную работу.
2. Гибкость: Фидеры среднего напряжения обладают гибкими конструкциями, позволяющими легко встраивать их в различные системы электроснабжения. Они могут быть использованы как внутри помещений, так и на открытых пространствах, а также могут быть адаптированы под различные схемы электропитания.
3. Высокая мощность: Фидеры среднего напряжения обеспечивают высокую мощность передачи электроэнергии. Они способны передавать большие объемы электрической энергии на дальние расстояния с минимальными потерями и поддерживать стабильное напряжение.
4. Управляемость: Фидеры среднего напряжения обладают удобной системой управления, которая позволяет мониторить и контролировать процессы передачи электроэнергии. Они обеспечивают возможность удаленного управления и диагностики, что упрощает эксплуатацию и обслуживание системы электроснабжения.
5. Экономичность: Фидеры среднего напряжения обеспечивают эффективное использование электроэнергии и позволяют более экономно распределять ее потребление. Они позволяют избежать потерь электроэнергии, что позволяет сократить затраты и сделать систему электроснабжения более экономически выгодной.
6. Безопасность: Фидеры среднего напряжения обеспечивают высокий уровень безопасности, благодаря применению изолирующих материалов, системе защиты от перегрузок и короткого замыкания. Они приведены в соответствие с нормативными требованиями безопасности и могут использоваться в различных условиях эксплуатации.
Принцип действия и классификация
Что такое блок питания в электроэнергетике. Его часто путают с распределителем, потому что он также передает энергию от генерирующей станции (или подстанции) к точкам потребления электроэнергии. Однако устройство подачи не выполняет промежуточную проверку, поэтому текущие значения остаются одинаковыми как на стороне отправителя, так и на стороне получателя.
В зависимости от условий эксплуатации блоки питания делятся на следующие группы:
- Промышленный;
- Для использования в сельском хозяйстве;
- Семья (освещение).
В последних случаях линия рассчитана на напряжение 220 В (для остальных типов — на 220 и 380 В).
Последовательность работы блока питания определяется его назначением. Линия электропередачи является частью распределительной электрической сети. Электрическая цепь в здании, которая передает энергию от трансформатора или другого устройства, аналогичного распределительному щиту, показана на рисунке 1. К сборным шинам подключены разные потребители для питания различных нагрузок: мощности и / или освещения.
Проводники распределительного источника питания покидают выключатель (или устройство повторного включения подстанции) через проложенные под землей кабели, называемые выходными кабелями. Следовательно, источник питания в электротехнике является частью системы распределения энергии от первичных устройств к вторичным устройствам. Как показано на Рисунке 1, после передачи энергии по линии она достигает подстанции, где напряжение сети может уменьшаться в зависимости от мощности и количества пользователей.
Схема линии
Она потребуется всякий раз, когда производится частичная перепланировка внутренних и внешних силовых подключений. При этом необходимо знать значения следующих параметров:
- Общую расчётную нагрузку.
- Максимальное значение коэффициента спроса.
- Предельные значения силы тока.
- Максимальную длину внешних проводников.
- Характеристику устройств защиты от перегрузки.
Типичная электрическая система может содержать несколько типов фидеров. В соответствии с этим линии рассчитываются на разные виды нагрузок — непрерывные, периодические, комбинированные, внешние. Последние учитываются при проектировании системы энергоснабжения отдельных зданий. В особо сложных случаях фидеры могут быть составными, представляющими более чем одну систему напряжения, либо имеющими в своём составе линии постоянного тока.
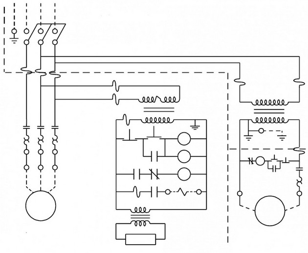
Электрическая схема одного из участков представлена на рисунке 3.
Рисунок 3. Электрическая схема одного из блоков внутреннего фидера
Первичные фидерные линии характерны для электростанций. Распределительный узел может быть внутренним или внешним. Хотя правила защиты от перегрузки по току в электрике варьируются в зависимости от поставляемой нагрузки, предел обычно устанавливается по конечной ветке.
Применение фидеров в электроэнергетике
Наиболее наглядным примером будут тяговые подстанции, обеспечивающие работу электротранспорта. Ниже представлена упрощенная схема организации тягового электроснабжения.
Легенда:
- А — Электроподвижной состав.
- Б — Сеть железнодорожных контактов.
- C — цепь высокого напряжения.
- D — Вспомогательная тяговая линия электропередачи.
- E — Источник питания обратного тока.
- F — Здание тяговой подстанции.
Во избежание перегрузки линий питания контактной сети установлена автоматика блока питания, в состав которой входят защитные устройства. В цепи питания, помимо основной, есть еще и резервная защита для отключения линии в случае короткого замыкания. Большая часть электросетевого оборудования установлена на тяговых подстанциях. Приведем в качестве примера типичную блок-схему одного из них.
Легенда:
- РУ-110 — распределительные щиты, питающие трансформаторы.
- ГПТ1, ГПТ2 — Главные понижающие трансформаторы.
- ТСН1, ТСН2 — трансформаторы собственных нужд, необходимы для питания оборудования подстанции.
- PA1, PA2 — преобразователь.
- РУ-3.3 — распределительный щит, обеспечивающий питание воздушных линий.
Вывод.
Принимая во внимание приведенную выше информацию, можно сказать, что это определение включает воздушные и кабельные линии электропередачи, которые поставляют электроэнергию на подстанции и главные распределительные центры. Система структурирования БП достаточно удобна для обозначения определенного участка цепочки (конкретного БП)
Но поскольку определения этого термина в нормативных документах нет, велика вероятность недоразумения, которое может стать причиной аварии или аварии. Поэтому лучше всего придерживаться терминологии, принятой в нормативных документах
Система структурирования БП достаточно удобна для обозначения определенного участка цепочки (конкретного БП). Но поскольку определения этого термина в нормативных документах нет, велика вероятность недоразумения, которое может стать причиной аварии или аварии. Поэтому лучше всего придерживаться терминологии, принятой в нормативных документах.
важно изучить:
- Пример однолинейной схемы питания
- Проверка переносного заземления
Что такое фидер в электрике?
На самом деле есть несколько вариантов понятия этого слова. Так что это такое и как выглядит электрический фидер? Это может быть сеть, которая питает трансформаторные подстанции, соединяющая их с определенным выключателем, что используется в магистралях от 6 до 10 кВ. Если поврежден кабель, который соединяет трансформатор с выключателем, то имеется в виду, что поврежден электрический фидер.
В электрике данный термин вспоминается в том случае, когда на подстанции отключается общий выключатель, оставляющий без питания все трансформаторы. Тогда работники говорят, что нагрузка на электросеть снята. Схема ниже показывает, что собой представляет подобное приспособление и где оно размещается:
Существует много мнений относительно того, какую часть линий стоит называть фидерами. Или же это будет вся питающая линия, или же это будет лишь главный участок, который доходит до первой подстанции? Общий смысл подразумевает полностью всю сеть, идущую от оборудования к подстанции. Если рассматривать более узко, то это часть кабеля, который идет до первого трансформатора. Этот термин считается более подходящим для кабельных сетей. В ВЛЭП как такового главного участка нет, так как кабеля идут радиально и обозначаются простыми номерами.
Если смотреть обозначения по отраслям, то в электроэнергетике электрический фидер – это воздушна линия, которая соединяет две подстанции между собой или соединяет подстанцию с распределительным механизмом. При этом, не стоит забывать про тот факт, что данное устройство имеет связь с питанием, которое подается на электрооборудование. Поэтому его еще принято называть магистралью, которая осуществляет соединение подстанции непосредственно с распределительным узлом.
В случае же когда проектируется электросеть, то таким определением называют кабель, через который идет питание к потребителю от распределительного устройства. Или же питание может поступать от одного распределительного узла к другому. Те же линии, что отводятся дальше распределительного устройства, носят название «ответвление».
Электрические фидеры могут быть двух видов: кабельными и воздушными. Но это не меняет тот факт, что они служат соединением между сборными шинами, которые присутствуют в распределительных узлах подстанций (будь то преобразовательная или трансформаторная) и непосредственно самой электрической сети (потребительской или распределительной).
Например, в электроснабжении такое определение получил участок тяговой сети, который объединяет тяговую подстанцию с кантатной электросетью благодаря шинам напряжения. Электрический фидер снабжается специальным защитным приспособлением, которое защищает от перегрузок и коротких замыканий благодаря наличию автоматических выключателей. Эти выключатели отключают контактную сеть, если возникает превышение номиналов защиты. Сделать это может и высоковольтный разъединитель.
Оборудование, которое имеет непосредственное отношение к данному приспособлению, носит название фидерное оборудование. Например, это может быть фидерная автоматика или разъединитель и фидерная защита. Электрический фидер в электричестве может еще носить название перегонного или стационарного. Только это если его использовать в тяговых электросетях. Да и зависеть это будет от тех потребителей, которые получают питание сети по определенному фидеру. В таких случаях каждая линия получает свой личный номер.
Следует отметить, что такое понятие можно спокойно заменить на простое слово «ЛЭП», так как приспособление является своего рода разновидностью линии электропередач. И, несмотря на то, что такая линия считается главной, она определяется и как участок электросети, что соединяет между собой определенное количество удаленных устройств с основной линией питания.
То есть, если говорить более точно, то фидером называют ЛЭП, которая соединяет первичный узел распределения с вторичным узлом или с большим количеством устройств-распределителей. Также он может выступать в роли соединения вторичного устройства-распределителя с одним или несколькими потребителями. Надеемся, теперь вам стало понятно, что такое фидер электрический!
Советуем изучить — Эксплуатация комплектных трансформаторных подстанций
Виды отклонений
Специалисты, изучающие это явление, даже разработали классификацию и название для каждого отдельного случая и поведения человека в фидеризме. Вот введенные определения:
- Толстый преданный – это человек, который питает пристрастие к толстым представителям противоположного пола.
- Женщина ФА – Это женщина, которой нравятся тучные и очень толстые мужчины.
- Большая красивая женщина – Крупная женщина, считающая толстокожесть преимуществом.
- Супер-большая красивая женщина – Сильно тучная особа, которую любят за ее жировые складки. И чем больше полнота, тем приятнее для партнера. Когда женщина больше не может двигаться и существовать самостоятельно, это радует мужчину.
- Большой красавец – Огромный мужчина, который имеет преимущество за счет своего веса.
Жировой фетишизм – самый распространенный тип верности. Это влечение человека к определенному типу телосложения. Существует концепция набора веса – это вербовка мужчины на роль фиди. Такой человек ставит себе определенную планку, сколько веса он должен набрать, чтобы достичь идеального тела. Многие люди пишут в блогах о своем процессе набора веса, где другие фанатики и любители жира оставляют восхищенные комментарии.
Еще одно понятие, на мой взгляд, самое странное поведение, это Extreme fat admiration – влечение человека к другому, чрезмерно полному. Такие люди не могут самостоятельно передвигаться и просто лежат на кровати. Такая полнота привлекает другого человека, он чувствует удовольствие от форм и беспомощности своего партнера.
Последнее определение – инфляционизм. Это тоска по человеку, раздутому до формы воздушного шара. Такая форма достигается путем подкладывания шариков под одежду, употребления колы и глотания ментоса или питья соленой воды в больших количествах, чтобы надуть живот.
Что такое источник питания в электричестве. Поскольку это главный проводник, электроэнергия подается от него к главному центру нагрузки и далее к распределителю (обычно трехфазному, четырехпроводному). Затем нагрузка подается в сеть обслуживания, к которой уже подключены прямые потребители (см. рис. 2).




